| Боломжийн байдал: | |
|---|---|
JCQ-3(E)
JCQ-3E аянга хэмжигч нь доорх хэмжигчтэй цувралаар холбогдсон бөгөөд аянга хэмжигч хэд хэдэн удаа цохиж байгааг бүртгэхээс гадна ажлын хүчдэл дэх миллиамперметрийн гүйдлийн алдагдлыг хянах төхөөрөмжөөр ашиглаж болно.220 кВ ба түүнээс доош хүчдэлийн аянга хэмжигч, талбайн хүрээлэн буй орчны нөхцөл ижил аянга тогтоогч холбогдсон, энэ нь ноцтой бохирдол, хүчтэй цочролд тохиромжгүй;цайрын оксидын хавхлагын хуудас, цахилгаан шинж чанар нь ихээхэн сайжирсан.
1. Дотор болон гадаа ашиглахад тохиромжтой.
2.Орчны температур(-40~+40)℃。
3. Өндөр нь 2000м-ээс хэтрэхгүй.
4.Цахилгааны давтамж (48 ~ 62) Гц.
5.Хүчтэй чичиргээтэй газар байхгүй.
1. Цахилгааны зарчим
Дээж авах хавхлагын хавтан, цахиур зэрэг аянга хэмжигч монитор гүүр Шулуутгагч, өндөр хүчдэлийн конденсатор, цахилгаан соронзон тоолуур, миллиамметрийн бүрэлдэхүүн хэсгүүд.Энэ нь тогтоогчийн цэнэгийн гүйдэл, хавхлагын хавтан (шугаман бус резистор) цахиурын гүүр Шулуутгагчаас үүссэн хүчдэл, конденсатор дээрх цэнэг, цахилгаан соронзон тоолуурын цэнэг, цахилгаан соронзон тоолуурын цэнэгийг нэг удаад бүртгэх явдал юм. аянга хэмжигч ажиллах хугацааг бүртгэх.
2. Энэхүү бүтээгдэхүүн нь өндөр чанарын зэвэрдэггүй ган бүрхүүлийг ашигладаг, зэврэлтээс сайн хамгаалалттай;битүүмжлэлийн гүйцэтгэл сайн, гадаад орчны нөлөөнд автдаггүй.Дотоод элемент нь хөгшрөлтийн эсрэг сайн шинж чанартай тул эрчим хүчний системийн үйл ажиллагаанд ашиглаж болно.JCQ-3E төрлийн аянга хэмжигч нь 2 битийн дижитал дэлгэц ашигладаг, дэлгэц нь тодорхой, ажиглахад хялбар;аянга хэмжигчээр богино хугацааны давтамжийг бүрэн бүртгэдэг.
| Техникийн параметрүүд | 8/20μс дээд хязгаар үйл ажиллагаа явуулж байна Одоогийн | 8/20μс доод хязгаар үйл ажиллагаа явуулж байна Одоогийн | 2мс тэгш өнцөгт Одоогийн | 4/10μс импульс | үлдэгдэл хүчдэл дотор nominal гадагшлуулах Одоогийн |
| JCQ-3E | 10КА | 50А | 1200А | 100КА | 2.5 кВ-аас доош |
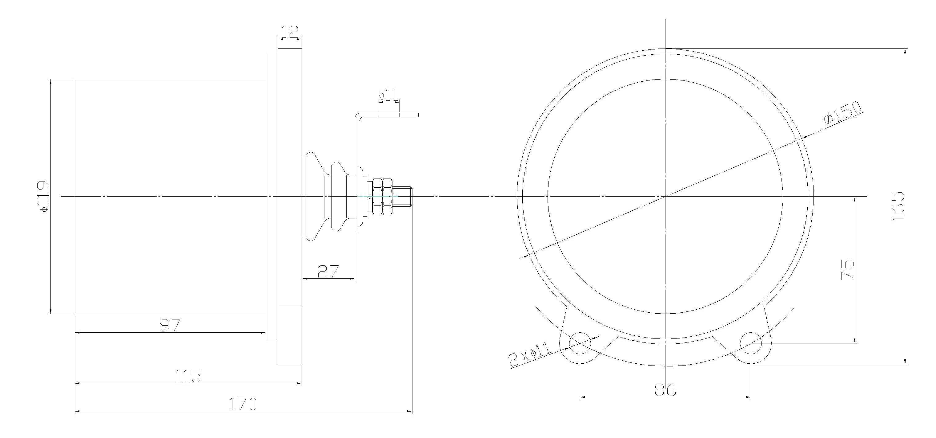
Тоолуурыг түүний ерөнхий дүр төрхийг харгалзан суулгана уу.Тоолуур нь баривчлагч ба газардуулгын хооронд цувралаар холбогдсон байх ёстой, өөрөөр хэлбэл энэ нь баривчлагчийн тусгаарлагчийн суурийн хоёр терминал дээрх фланцтай зэрэгцээ холбогдсон байна.Тоолуур суурилуулахдаа тэдгээрийг маш сайн холбосон эсэхийг шалгахын тулд эхлээд тоолуурын фланц дээр байрлах хоёр бэхэлгээний нүхний гадаргуу (Φ11) дээрх будгийг хусах хэрэгтэй.Дараа нь лангууг баривчлагчийн суурийн ойролцоо M10x40 боолтоор бэхлээрэй, энэ нь харахад хялбар газар юм.Энэ нь мөн газардуулгатай терминал юм.Дараа нь HV-ийн утаснуудын төгсгөлийг Ml0x30 боолтоор тогтоогчийн тусгаарлагчийн суурийн дээд фланц дээрх автобусны бааранд холбоно.Суулгац дууссаны дараа тоолуурыг шалгана уу, энэ нь тодорхой налуу байх ёсгүй.Хэрэв тоолуурын үзүүлэлт '0'-г заагаагүй бол 4.2-р зүйлд заасны дагуу та үүнийг сайн тохируулах хэрэгтэй.Дараа нь ашиглалтад оруулж магадгүй.Лацыг эвдэхгүйн тулд улаанаар будсан M10 самар болон суурин дээрх M6x20-ийн зургаан боолтыг тайлж болохгүй.Тоолуурын ерөнхий хэмжээс ба суурилуулах байрлалыг доор харуулав.
4.1) Хэрэглэгч энгийн хийх ёстой нэг лангуунд ажиллуулахаас өмнө болон нэг эсвэл хоёр жил ажилласны дараа спот туршилт хийх.
4.2) Тоолуурын үйл ажиллагааны шинж чанарыг шалгах энгийн арга: Танд 500В-д нэг меггер, 600В-т 10μF-д нэг конденсатор хэрэгтэй.
Туршилтын журам:
Эхлээд меггерийг эргүүлж конденсаторыг цэнэглэ.Тогтвортой цэнэглэгдэх үед цэнэглэх хэлхээг тасалж, меггерийг эргүүлж байх ёстой.Дараа нь сайн цэнэглэгдсэн конденсаторыг тоолуурын ороомгийн хоёр терминалыг нэг удаа гадагшлуулах тул тоолуур нэг удаа тоолно.Та туршилтыг арав дахин хийх хэрэгтэй.Тоолуур нь хэвийн найдвартай ажиллаж чаддаг бол сайн.Үгүй бол тоолуур ажиллахгүй эсвэл мэдрэмж багатай байж магадгүй тул шалгах эсвэл засах шаардлагатай.
4.3) Хэрэв индикатор нь '0'-ийг заагаагүй бол та лангуун дээрх анхны дугаарыг тоолох үндсэн дугаар гэж үзэж, дараа нь баривчлагчийн нийт ажиллах хугацааг нэмж болно.
JCQ-3E аянга хэмжигч нь доорх хэмжигчтэй цувралаар холбогдсон бөгөөд аянга хэмжигч хэд хэдэн удаа цохиж байгааг бүртгэхээс гадна ажлын хүчдэл дэх миллиамперметрийн гүйдлийн алдагдлыг хянах төхөөрөмжөөр ашиглаж болно.220 кВ ба түүнээс доош хүчдэлийн аянга хэмжигч, талбайн хүрээлэн буй орчны нөхцөл ижил аянга тогтоогч холбогдсон, энэ нь ноцтой бохирдол, хүчтэй цочролд тохиромжгүй;цайрын оксидын хавхлагын хуудас, цахилгаан шинж чанар нь ихээхэн сайжирсан.
1. Дотор болон гадаа ашиглахад тохиромжтой.
2.Орчны температур(-40~+40)℃。
3. Өндөр нь 2000м-ээс хэтрэхгүй.
4.Цахилгааны давтамж (48 ~ 62) Гц.
5.Хүчтэй чичиргээтэй газар байхгүй.
1. Цахилгааны зарчим
Дээж авах хавхлагын хавтан, цахиур зэрэг аянга хэмжигч монитор гүүр Шулуутгагч, өндөр хүчдэлийн конденсатор, цахилгаан соронзон тоолуур, миллиамметрийн бүрэлдэхүүн хэсгүүд.Энэ нь тогтоогчийн цэнэгийн гүйдэл, хавхлагын хавтан (шугаман бус резистор) цахиурын гүүр Шулуутгагчаас үүссэн хүчдэл, конденсатор дээрх цэнэг, цахилгаан соронзон тоолуурын цэнэг, цахилгаан соронзон тоолуурын цэнэгийг нэг удаад бүртгэх явдал юм. аянга хэмжигч ажиллах хугацааг бүртгэх.
2. Энэхүү бүтээгдэхүүн нь өндөр чанарын зэвэрдэггүй ган бүрхүүлийг ашигладаг, зэврэлтээс сайн хамгаалалттай;битүүмжлэлийн гүйцэтгэл сайн, гадаад орчны нөлөөнд автдаггүй.Дотоод элемент нь хөгшрөлтийн эсрэг сайн шинж чанартай тул эрчим хүчний системийн үйл ажиллагаанд ашиглаж болно.JCQ-3E төрлийн аянга хэмжигч нь 2 битийн дижитал дэлгэц ашигладаг, дэлгэц нь тодорхой, ажиглахад хялбар;аянга хэмжигчээр богино хугацааны давтамжийг бүрэн бүртгэдэг.
| Техникийн параметрүүд | 8/20μс дээд хязгаар үйл ажиллагаа явуулж байна Одоогийн | 8/20μс доод хязгаар үйл ажиллагаа явуулж байна Одоогийн | 2мс тэгш өнцөгт Одоогийн | 4/10μс импульс | үлдэгдэл хүчдэл дотор nominal гадагшлуулах Одоогийн |
| JCQ-3E | 10КА | 50А | 1200А | 100КА | 2.5 кВ-аас доош |
Тоолуурыг түүний ерөнхий дүр төрхийг харгалзан суулгана уу.Тоолуур нь баривчлагч ба газардуулгын хооронд цувралаар холбогдсон байх ёстой, өөрөөр хэлбэл энэ нь баривчлагчийн тусгаарлагчийн суурийн хоёр терминал дээрх фланцтай зэрэгцээ холбогдсон байна.Тоолуур суурилуулахдаа тэдгээрийг маш сайн холбосон эсэхийг шалгахын тулд эхлээд тоолуурын фланц дээр байрлах хоёр бэхэлгээний нүхний гадаргуу (Φ11) дээрх будгийг хусах хэрэгтэй.Дараа нь лангууг баривчлагчийн суурийн ойролцоо M10x40 боолтоор бэхлээрэй, энэ нь харахад хялбар газар юм.Энэ нь мөн газардуулгатай терминал юм.Дараа нь HV-ийн утаснуудын төгсгөлийг Ml0x30 боолтоор тогтоогчийн тусгаарлагчийн суурийн дээд фланц дээрх автобусны бааранд холбоно.Суулгац дууссаны дараа тоолуурыг шалгана уу, энэ нь тодорхой налуу байх ёсгүй.Хэрэв тоолуурын үзүүлэлт '0'-г заагаагүй бол 4.2-р зүйлд заасны дагуу та үүнийг сайн тохируулах хэрэгтэй.Дараа нь ашиглалтад оруулж магадгүй.Лацыг эвдэхгүйн тулд улаанаар будсан M10 самар болон суурин дээрх M6x20-ийн зургаан боолтыг тайлж болохгүй.Тоолуурын ерөнхий хэмжээс ба суурилуулах байрлалыг доор харуулав.
4.1) Хэрэглэгч энгийн хийх ёстой нэг лангуунд ажиллуулахаас өмнө болон нэг эсвэл хоёр жил ажилласны дараа спот туршилт хийх.
4.2) Тоолуурын үйл ажиллагааны шинж чанарыг шалгах энгийн арга: Танд 500В-д нэг меггер, 600В-т 10μF-д нэг конденсатор хэрэгтэй.
Туршилтын журам:
Эхлээд меггерийг эргүүлж конденсаторыг цэнэглэ.Тогтвортой цэнэглэгдэх үед цэнэглэх хэлхээг тасалж, меггерийг эргүүлж байх ёстой.Дараа нь сайн цэнэглэгдсэн конденсаторыг тоолуурын ороомгийн хоёр терминалыг нэг удаа гадагшлуулах тул тоолуур нэг удаа тоолно.Та туршилтыг арав дахин хийх хэрэгтэй.Тоолуур нь хэвийн найдвартай ажиллаж чаддаг бол сайн.Үгүй бол тоолуур ажиллахгүй эсвэл мэдрэмж багатай байж магадгүй тул шалгах эсвэл засах шаардлагатай.
4.3) Хэрэв индикатор нь '0'-ийг заагаагүй бол та лангуун дээрх анхны дугаарыг тоолох үндсэн дугаар гэж үзэж, дараа нь баривчлагчийн нийт ажиллах хугацааг нэмж болно.
Хөнгөн цагааны силикатаас бүрдэх керамик тусгаарлагч нь цахилгаан дамжуулах, түгээх агаарын шугамын чухал бүрэлдэхүүн хэсэг юм. Тэдний урт хугацааны найдвартай байдал нь хүрээлэн буй орчны хүчин зүйлсээс шалтгаалж, гүйцэтгэлийн доройтолд хүргэдэг. Энэхүү нийтлэлд хэт ягаан туяаны цацраг болон бохирдлын хуримтлалд анхаарлаа хандуулан керамик тусгаарлагчийн хөгшрөлтийн үндсэн механизмд дүн шинжилгээ хийсэн. Энэ нь эдгээр нөлөөллийг багасгах, улмаар үйлчилгээний хугацааг уртасгах, сүлжээний уян хатан чанарыг хангах зорилготой функциональ бүрэх технологийн хамгийн сүүлийн үеийн дэвшлийг судлах болно.
Хэдэн арван жилийн турш хүчдэл сааруулагчийн үндсэн зорилго нь тогтмол хэвээр байсаар ирсэн: цахилгаан тоног төхөөрөмжийг аянга буух эсвэл сэлгэн залгах үйлдлээс шалтгаалсан түр зуурын хэт хүчдэлээс хамгаалах, газар руу бага эсэргүүцэлтэй зам тавьж, системийн хэвийн ажиллагааг хурдан сэргээх. Гэсэн хэдий ч энэ эрхэм зорилгод хүрэх арга замууд эрс өөрчлөлтийг хийж байна. Орчин үеийн эрчим хүчний сүлжээнүүдийн эрэлт хэрэгцээ буюу сэргээгдэх эрчим хүчний интеграцчлал, дижиталжуулалт, илүү найдвартай байдлын хэрэгцээ шаардлагад тулгуурлан баривчлах технологи нь уламжлалт, идэвхгүй үүргээсээ хальж ухаалаг, дасан зохицох чадвартай, өндөр уян хатан бүрэлдэхүүн хэсгүүдийн эрин үе рүү шилжиж байна.
Тусгаарлагч унтраалга, мөн салгах унтраалга эсвэл тусгаарлагч гэж нэрлэдэг бөгөөд цахилгаан эрчим хүчний системийн үндсэн бүрэлдэхүүн хэсэг юм. Тэдний гол үүрэг бол тусгаарлах үзэгдэх цэгийг бий болгох, доод урсгалын тоног төхөөрөмжийн аюулгүй засвар үйлчилгээ, засвар үйлчилгээ юм. Хэлхээ таслагчаас ялгаатай нь тэдгээр нь ачааллын гүйдэл эсвэл гэмтлийн гүйдлийг таслах зориулалттай биш юм. Гэсэн хэдий ч тэдгээрийн найдвартай ажиллагаа буюу тушаалаар нээх, хаах нь системийн аюулгүй байдал, уян хатан байдал, хүртээмжтэй байдалд чухал ач холбогдолтой.
Гал хамгаалагч нь чухал боловч ихэнхдээ үл тоомсорлодог идэвхгүй хамгаалалтын хэрэгсэл нь цахилгааны аюулгүй байдлын үндэс юм. Тэдний найдвартай ажиллагаа нь тусгаарлагч гадаргуу болон хайлдаг элементийн бүрэн бүтэн байдлаас хамаардаг. Энэ нийтлэлд гадаргын бохирдол болон дотоод хөгшрөлт / доройтол гэсэн хоёр түгээмэл эвдрэлийн горимыг авч үзэх болно. Бид механизмд техникийн нарийвчилсан дүн шинжилгээ хийж, дэвшилтэт болон практик таних арга техникийг тоймлон гаргаж, системийн найдвартай байдлыг нэмэгдүүлэх, гэнэтийн зогсолтоос урьдчилан сэргийлэхийн тулд системчилсэн засвар үйлчилгээний протоколыг зааж өгдөг.
Ухаалаг сүлжээ рүү дэлхий даяар шилжиж байгаа нь бидний цахилгаан эрчим хүч үйлдвэрлэх, түгээх, хэрэглэх үндсэн өөрчлөлтийг харуулж байна. Хоёр чиглэлтэй эрчим хүчний урсгал, нар, салхи гэх мэт тархсан эрчим хүчний нөөцийг (DER) гүн гүнзгий нэгтгэх, хэмжилтийн дэвшилтэт дэд бүтэц (AMI), бодит цагийн өгөгдлийн аналитик зэргээр тодорхойлогддог ухаалаг сүлжээнүүд нь шинэ үеийн хамгаалалтын төхөөрөмжүүдийг шаарддаг. Эдгээрийн дунд зуун гаруй жилийн турш цахилгааны хамгаалалтын тулгын чулуу болсон энгийн гал хамгаалагч нь технологийн гүн гүнзгий өөрчлөлтийг хийж байна. Гал хамгаалагчийн технологийн ирээдүй нь энгийн, золиослолын чанартай хамгаалалтын бүрэлдэхүүн хэсгээс ухаалаг, дасан зохицох чадвартай, датагаар баялаг сүлжээ болгон хувиргахад оршино.
Хэдэн арван жилийн турш хүчдэл сааруулагчийн үндсэн зорилго нь тогтмол хэвээр байсаар ирсэн: цахилгаан тоног төхөөрөмжийг аянга буух эсвэл сэлгэн залгах үйлдлээс шалтгаалсан түр зуурын хэт хүчдэлээс хамгаалах, газар руу бага эсэргүүцэлтэй зам тавьж, системийн хэвийн ажиллагааг хурдан сэргээх. Гэсэн хэдий ч энэ эрхэм зорилгод хүрэх арга замууд эрс өөрчлөлтийг хийж байна. Орчин үеийн эрчим хүчний сүлжээнүүдийн эрэлт хэрэгцээ буюу сэргээгдэх эрчим хүчний интеграцчлал, дижиталжуулалт, илүү найдвартай байдлын хэрэгцээ шаардлагад тулгуурлан баривчлах технологи нь уламжлалт, идэвхгүй үүргээсээ хальж ухаалаг, дасан зохицох чадвартай, өндөр уян хатан бүрэлдэхүүн хэсгүүдийн эрин үе рүү шилжиж байна.
Түгээх шугамын урсгалыг баривчлах (DLSAS) ХЯНАЛТЫН ТУСГАЙ ХЯНАЛТЫН ТУСГАЙ ТӨЛӨВЛӨГӨӨНИЙ ҮЙЛ АЖИЛЛАГААНЫ ТӨЛӨВЛӨГӨӨГҮЙ, 1 КВ ба 38 кВ ба 38 кВ-ийн хооронд ажилладаг. Тэдний үндсэн үүрэг бол цахилгаан хэрэгслийн цохилт, шилжилтийг Аянга, шилжүүлэх, шилжүүлэх, бусад цахилгаан садар самуунд хүргэдэг.
Магтер, Орост: Буцах 2-р сарын 2-р сарын 6-р хэсгаас 6-р сарын 2-р хэсээс 4NL сарын 400-ээс 625 он, Rainiance тоног төхөөрөмжийн хувцасны үл үзэгдэх тоног төхөөрөмжийн үзийг Органик цайт тоног төхөөрөмж дээр амжилттай оролцуулна.
Унуу гал хамгаалагч тайрах нь хэт их хамгаалалт, тусгаарлалтыг өгдөг. Гэсэн хэдий ч хүрээлэн буй орчны, цахилгаан, механик стресс, механик стрессд өртөхөд хүргэдэг. Энэ нийтлэл нь Ачаа хөгшрөлтийн анхан шатны механизмыг шалгаж, үр дүнтэй, засвар үйлчилгээ хийх, системийн аюулгүй байдлыг хангах, системийн аюулгүй байдлыг хангах.
Гадаа өндөр хүчдэлийн залгуур ба залгуур системүүд (ихэвчлэн 1KV-ээс 52 кВт) аюулгүй, найдвартай, найдвартай инженерийн шийдлийг хайж олоход зориулагдсан. Эдгээр салгах холболтууд нь тусламжийн сүлжээ, үйлдвэрлэлийн суулгац, сэргээгдэх эрчим хүчний програм хангамжийг хадгалахын тулд уян хатан хүчийг идэвхжүүлдэг. Бага хүчдэлтэй харьцуулахад хязгаараас ялгаатай нь HV холбогчуудаас ялгаатай, HV холбогч нь цахилгаан талбайн хяналтын хяналтын хяналтын хяналтын чиглэл, дулаалга, байгаль орчинд болгоомжтой хандахыг шаарддаг.
И-мэйл:jonsonchai@chinahaivo.com
Wechat: +86 135877716869
Whatsapp: +86 135877716869
Тел: 0086-577-62836929
0086-577-628836666
0086-135877716869
0086-1595772011