Энэ жагсаалтад багтсан FW1 төрлийн гадаа ачааллыг таслах унтраалга (унтраах салгагч) нь гол шугам, гол шугам эсвэл трансформаторыг солих зориулалттай (Богино залгааны хамгаалалтын функц болох MV HRC гал хамгаалагчийн холбоосоор тоноглогдсон байж болно) эсвэл ачааллын нөхцөлд сэлгэн залгахад зориулагдсан. .
FW1 төрлийн унтраалга нь IEC/IEEE болон DVE-зөвлөмжийн стандартад нийцдэг.Ялангуяа DIN VDE 0670 3-р хэсэг болон IEC хэвлэл IEC-60265, IEC-129-ийг дагаж мөрдөөрэй.
| Боломжийн байдал: | |
|---|---|
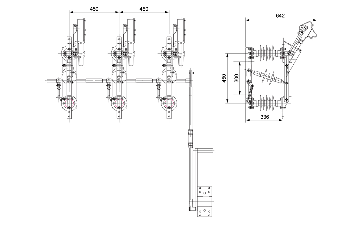
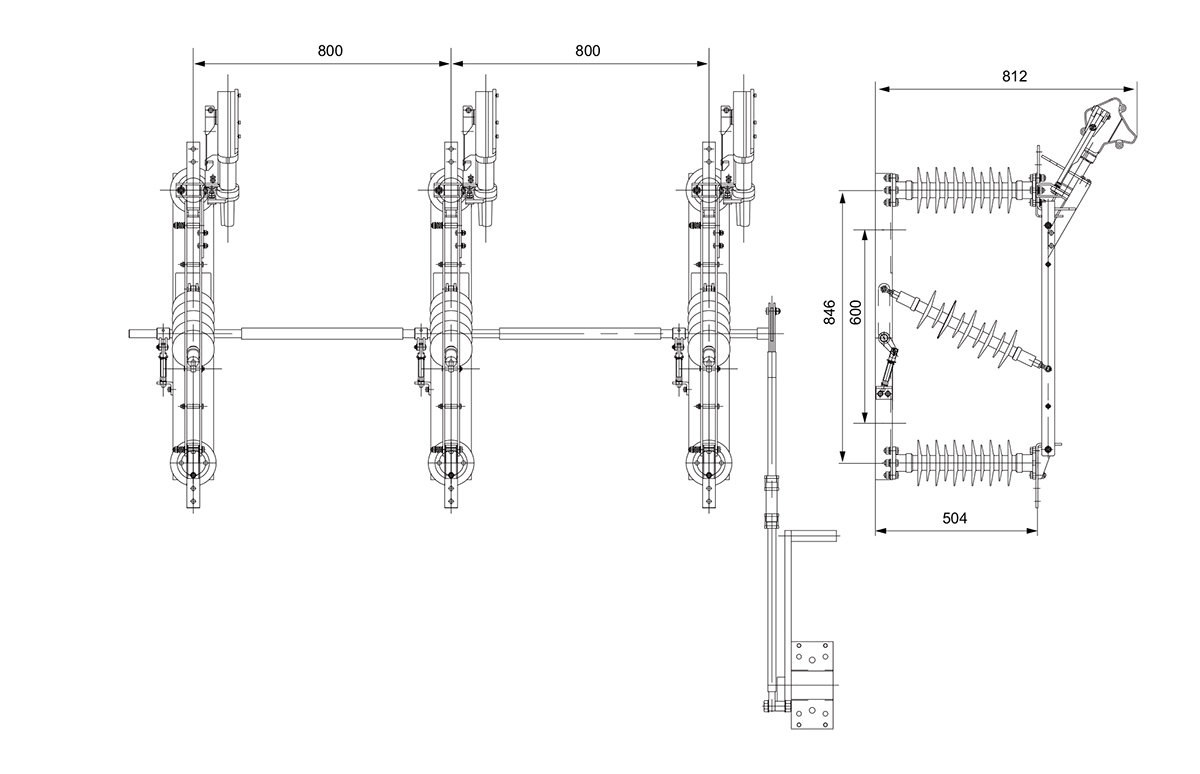
FW1-24
Үйлчилгээний орчин a) Агаарын температур: Хамгийн их температур: +75 ℃;Хамгийн бага температур:-45℃ b) Чийглэг: Сарын дундаж чийгшил 95%;Өдрийн дундаж чийгшил 90%.c) Далайн түвшнээс дээш өндөр: Суурилуулалтын хамгийн өндөр өндөр: 2500 м d) Орчны агаар идэмхий болон шатамхай хий, уур гэх мэтээр бохирддоггүй. e) Байнга хүчтэй чичиргээгүй.
Онцлог ба ашиг тус •Авсаархан загвар •Бүх ган эд анги нь зэвэрдэггүй ган эсвэл халуун цайрдсан •Хатуу, тогтвортой суурь хүрээ •Мөстөлтөөс хамгаалах үндсэн контакт •Шаазан болон силиконоор хийсэн тусгаарлагч •Хоёр бэхэлгээний ачаар шугамын холболтод хамгийн бага унжилттай. терминалууд •Бүрэн засвар үйлчилгээ Зэвээс хамгаалах AL хайлш -Нум камер •Гадаад нумгүйгээр унтраах журам •Тодорхой нөхцөлд богино холболт хийх боломжтой •Хүчээр бэхлэх (чөлөөт тохируулга) эсвэл шураг хийх (суурь хүрээний нүх) • Газар дээр нь суулгах, тохируулах хялбар • Өндөр найдвартай байдал: 1'000 хүртэл цикл (хийх гүйдлээс хамаарч) • Бүх дамжуулагч эд анги мөнгө, никель эсвэл цагаан тугалга бүрсэн • Бараг засвар үйлчилгээ шаарддаггүй.

Үйлчилгээний орчин a) Агаарын температур: Хамгийн их температур: +75 ℃;Хамгийн бага температур:-45℃ b) Чийглэг: Сарын дундаж чийгшил 95%;Өдрийн дундаж чийгшил 90%.c) Далайн түвшнээс дээш өндөр: Суурилуулалтын хамгийн өндөр өндөр: 2500 м d) Орчны агаар идэмхий болон шатамхай хий, уур гэх мэтээр бохирддоггүй. e) Байнга хүчтэй чичиргээгүй.
Онцлог ба ашиг тус •Авсаархан загвар •Бүх ган эд анги нь зэвэрдэггүй ган эсвэл халуун цайрдсан •Хатуу, тогтвортой суурь хүрээ •Мөстөлтөөс хамгаалах үндсэн контакт •Шаазан болон силиконоор хийсэн тусгаарлагч •Хоёр бэхэлгээний ачаар шугамын холболтод хамгийн бага унжилттай. терминалууд •Бүрэн засвар үйлчилгээ Зэвээс хамгаалах AL хайлш -Нум камер •Гадаад нумгүйгээр унтраах журам •Тодорхой нөхцөлд богино холболт хийх боломжтой •Хүчээр бэхлэх (чөлөөт тохируулга) эсвэл шураг хийх (суурь хүрээний нүх) • Газар дээр нь суулгах, тохируулах хялбар • Өндөр найдвартай байдал: 1'000 хүртэл цикл (хийх гүйдлээс хамаарч) • Бүх дамжуулагч эд анги мөнгө, никель эсвэл цагаан тугалга бүрсэн • Бараг засвар үйлчилгээ шаарддаггүй.

Хөнгөн цагааны силикатаас бүрдэх керамик тусгаарлагч нь цахилгаан дамжуулах, түгээх агаарын шугамын чухал бүрэлдэхүүн хэсэг юм. Тэдний урт хугацааны найдвартай байдал нь хүрээлэн буй орчны хүчин зүйлсээс шалтгаалж, гүйцэтгэлийн доройтолд хүргэдэг. Энэхүү нийтлэлд хэт ягаан туяаны цацраг болон бохирдлын хуримтлалд анхаарлаа хандуулан керамик тусгаарлагчийн хөгшрөлтийн үндсэн механизмд дүн шинжилгээ хийсэн. Энэ нь эдгээр нөлөөллийг багасгах, улмаар үйлчилгээний хугацааг уртасгах, сүлжээний уян хатан чанарыг хангах зорилготой функциональ бүрэх технологийн хамгийн сүүлийн үеийн дэвшлийг судлах болно.
Хэдэн арван жилийн турш хүчдэл сааруулагчийн үндсэн зорилго нь тогтмол хэвээр байсаар ирсэн: цахилгаан тоног төхөөрөмжийг аянга буух эсвэл сэлгэн залгах үйлдлээс шалтгаалсан түр зуурын хэт хүчдэлээс хамгаалах, газар руу бага эсэргүүцэлтэй зам тавьж, системийн хэвийн ажиллагааг хурдан сэргээх. Гэсэн хэдий ч энэ эрхэм зорилгод хүрэх арга замууд эрс өөрчлөлтийг хийж байна. Орчин үеийн эрчим хүчний сүлжээнүүдийн эрэлт хэрэгцээ буюу сэргээгдэх эрчим хүчний интеграцчлал, дижиталжуулалт, илүү найдвартай байдлын хэрэгцээ шаардлагад тулгуурлан баривчлах технологи нь уламжлалт, идэвхгүй үүргээсээ хальж ухаалаг, дасан зохицох чадвартай, өндөр уян хатан бүрэлдэхүүн хэсгүүдийн эрин үе рүү шилжиж байна.
Тусгаарлагч унтраалга, мөн салгах унтраалга эсвэл тусгаарлагч гэж нэрлэдэг бөгөөд цахилгаан эрчим хүчний системийн үндсэн бүрэлдэхүүн хэсэг юм. Тэдний гол үүрэг бол тусгаарлах үзэгдэх цэгийг бий болгох, доод урсгалын тоног төхөөрөмжийн аюулгүй засвар үйлчилгээ, засвар үйлчилгээ юм. Хэлхээ таслагчаас ялгаатай нь тэдгээр нь ачааллын гүйдэл эсвэл гэмтлийн гүйдлийг таслах зориулалттай биш юм. Гэсэн хэдий ч тэдгээрийн найдвартай ажиллагаа буюу тушаалаар нээх, хаах нь системийн аюулгүй байдал, уян хатан байдал, хүртээмжтэй байдалд чухал ач холбогдолтой.
Гал хамгаалагч нь чухал боловч ихэнхдээ үл тоомсорлодог идэвхгүй хамгаалалтын хэрэгсэл нь цахилгааны аюулгүй байдлын үндэс юм. Тэдний найдвартай ажиллагаа нь тусгаарлагч гадаргуу болон хайлдаг элементийн бүрэн бүтэн байдлаас хамаардаг. Энэ нийтлэлд гадаргын бохирдол болон дотоод хөгшрөлт / доройтол гэсэн хоёр түгээмэл эвдрэлийн горимыг авч үзэх болно. Бид механизмд техникийн нарийвчилсан дүн шинжилгээ хийж, дэвшилтэт болон практик таних арга техникийг тоймлон гаргаж, системийн найдвартай байдлыг нэмэгдүүлэх, гэнэтийн зогсолтоос урьдчилан сэргийлэхийн тулд системчилсэн засвар үйлчилгээний протоколыг зааж өгдөг.
Ухаалаг сүлжээ рүү дэлхий даяар шилжиж байгаа нь бидний цахилгаан эрчим хүч үйлдвэрлэх, түгээх, хэрэглэх үндсэн өөрчлөлтийг харуулж байна. Хоёр чиглэлтэй эрчим хүчний урсгал, нар, салхи гэх мэт тархсан эрчим хүчний нөөцийг (DER) гүн гүнзгий нэгтгэх, хэмжилтийн дэвшилтэт дэд бүтэц (AMI), бодит цагийн өгөгдлийн аналитик зэргээр тодорхойлогддог ухаалаг сүлжээнүүд нь шинэ үеийн хамгаалалтын төхөөрөмжүүдийг шаарддаг. Эдгээрийн дунд зуун гаруй жилийн турш цахилгааны хамгаалалтын тулгын чулуу болсон энгийн гал хамгаалагч нь технологийн гүн гүнзгий өөрчлөлтийг хийж байна. Гал хамгаалагчийн технологийн ирээдүй нь энгийн, золиослолын чанартай хамгаалалтын бүрэлдэхүүн хэсгээс ухаалаг, дасан зохицох чадвартай, датагаар баялаг сүлжээ болгон хувиргахад оршино.
Хэдэн арван жилийн турш хүчдэл сааруулагчийн үндсэн зорилго нь тогтмол хэвээр байсаар ирсэн: цахилгаан тоног төхөөрөмжийг аянга буух эсвэл сэлгэн залгах үйлдлээс шалтгаалсан түр зуурын хэт хүчдэлээс хамгаалах, газар руу бага эсэргүүцэлтэй зам тавьж, системийн хэвийн ажиллагааг хурдан сэргээх. Гэсэн хэдий ч энэ эрхэм зорилгод хүрэх арга замууд эрс өөрчлөлтийг хийж байна. Орчин үеийн эрчим хүчний сүлжээнүүдийн эрэлт хэрэгцээ буюу сэргээгдэх эрчим хүчний интеграцчлал, дижиталжуулалт, илүү найдвартай байдлын хэрэгцээ шаардлагад тулгуурлан баривчлах технологи нь уламжлалт, идэвхгүй үүргээсээ хальж ухаалаг, дасан зохицох чадвартай, өндөр уян хатан бүрэлдэхүүн хэсгүүдийн эрин үе рүү шилжиж байна.
Түгээх шугамын урсгалыг баривчлах (DLSAS) ХЯНАЛТЫН ТУСГАЙ ХЯНАЛТЫН ТУСГАЙ ТӨЛӨВЛӨГӨӨНИЙ ҮЙЛ АЖИЛЛАГААНЫ ТӨЛӨВЛӨГӨӨГҮЙ, 1 КВ ба 38 кВ ба 38 кВ-ийн хооронд ажилладаг. Тэдний үндсэн үүрэг бол цахилгаан хэрэгслийн цохилт, шилжилтийг Аянга, шилжүүлэх, шилжүүлэх, бусад цахилгаан садар самуунд хүргэдэг.
Магтер, Орост: Буцах 2-р сарын 2-р сарын 6-р хэсгаас 6-р сарын 2-р хэсээс 4NL сарын 400-ээс 625 он, Rainiance тоног төхөөрөмжийн хувцасны үл үзэгдэх тоног төхөөрөмжийн үзийг Органик цайт тоног төхөөрөмж дээр амжилттай оролцуулна.
Унуу гал хамгаалагч тайрах нь хэт их хамгаалалт, тусгаарлалтыг өгдөг. Гэсэн хэдий ч хүрээлэн буй орчны, цахилгаан, механик стресс, механик стрессд өртөхөд хүргэдэг. Энэ нийтлэл нь Ачаа хөгшрөлтийн анхан шатны механизмыг шалгаж, үр дүнтэй, засвар үйлчилгээ хийх, системийн аюулгүй байдлыг хангах, системийн аюулгүй байдлыг хангах.
Гадаа өндөр хүчдэлийн залгуур ба залгуур системүүд (ихэвчлэн 1KV-ээс 52 кВт) аюулгүй, найдвартай, найдвартай инженерийн шийдлийг хайж олоход зориулагдсан. Эдгээр салгах холболтууд нь тусламжийн сүлжээ, үйлдвэрлэлийн суулгац, сэргээгдэх эрчим хүчний програм хангамжийг хадгалахын тулд уян хатан хүчийг идэвхжүүлдэг. Бага хүчдэлтэй харьцуулахад хязгаараас ялгаатай нь HV холбогчуудаас ялгаатай, HV холбогч нь цахилгаан талбайн хяналтын хяналтын хяналтын хяналтын чиглэл, дулаалга, байгаль орчинд болгоомжтой хандахыг шаарддаг.
И-мэйл:jonsonchai@chinahaivo.com
Wechat: +86 135877716869
Whatsapp: +86 135877716869
Тел: 0086-577-62836929
0086-577-628836666
0086-135877716869
0086-1595772011